Matica závrtná SKD30, M6x18, s obrubou a vnútorným inbusom
Kód: T20750Podrobný popis
Kvalitná RAMPA závrtná matica typ SKD30 s hlavou a vnútorným imbusom ponúka optimálnu pevnosť v rôznych materiáloch a presné dodržanie konštrukčných rozmerov. Patentovaný vonkajší závit zabezpečuje pevné a odolné spojenie, vhodné najmä na neviditeľné upevnenie dielov nábytku.
Konštrukcia umožňuje vytvoriť tesné a odolné spoje, ktoré vydržia aj vysoké ťahové zaťaženie, čím zaručuje dlhodobú stabilitu nábytkových konštrukcií.
Technické parametre:
-
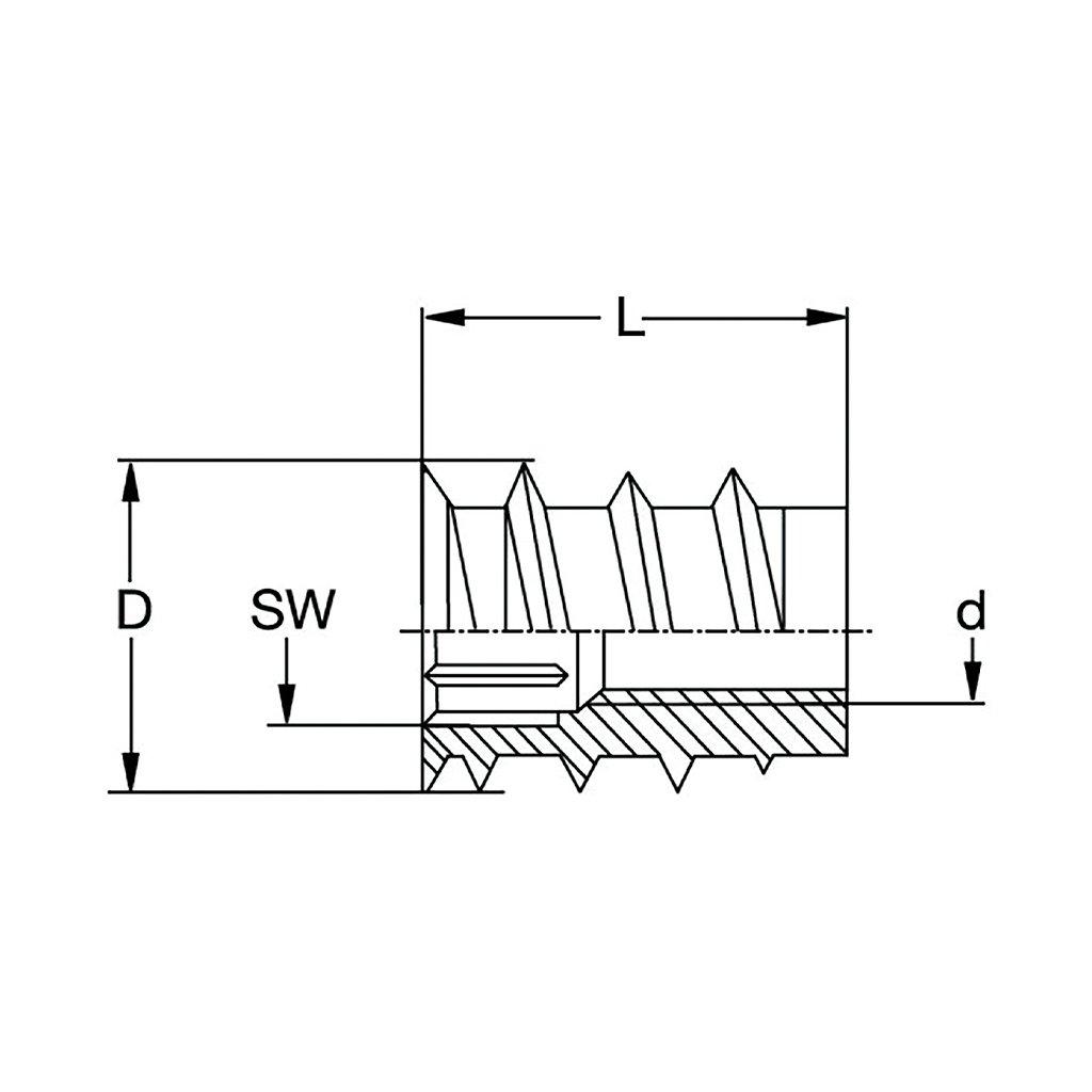
Typ: závrtná matica SKD30 s obrubou a vnútorným imbusom
-
Profil závitu: M
-
Menovitý rozmer závitu: M6
-
Priemer d1: 6 mm
-
Dĺžka (L): 18 mm
-
Priemer d2: 12 mm
-
Materiál: oceľ
-
Povrchová úprava: modro pozinkovaná
-
Vonkajší závit: patentovaný tvar pre maximálnu pevnosť
Výhody:
-
Odolný a pevný spoj aj pri vysokom zaťažení
-
Vhodné pre drevo, drevotriesku, MDF a iné materiály
-
Skrytá montáž pre čistý dizajn nábytku
-
Jednoduchá montáž pomocou imbusového kľúča
-
Ochrana proti uvoľneniu vďaka tvaru závitu
Použitie:
-
Nábytkárska výroba a stolárske práce
-
Spojenie dielov, ktoré vyžadujú vysokú pevnosť
-
Montáž políc, stolov, rámov a korpusov
Vyberte si maticu závrtnú SKD30 M6×18 pre spoľahlivé, neviditeľné a odolné spojenie nábytkových konštrukcií.
Diskusia
Buďte prvý, kto napíše príspevok k tejto položke.
